
Application
Rectifiers are used to connect DC consumers to alternating
voltage supplies,for example electromagnetic brakes and clutches,
electromagenets,electrovalves,contactors,swithch-on safe DC motors,etc.
Function
The AC input voltage(VAC)is rectified(VDC)in order to operate DC voltage units.Also,Voltage peaks,which occur when switching off inductive loads and which may cause damage to insulation and contacts,are limited and the contact load reduced
Electrical Connection(Terminals)
1+2 Input Voltage
3+4 Connection for an external switch for DC-side switching
5+6 Output Voltage
Technical Data
|
|
Bridge rectifier
|
Half-wave rectifier
|
|
Calculation output voltage
|
UBridge= 0,9×UAC
|
UHalf-wave= 0,45×UAC
|
|
Type
|
1/025.000.6
|
1/024.000.6
|
|
max.input voltage
|
230 VAC
|
400
|
|
max.out voltage
|
207 VDC
|
180
|
|
Output current
|
at≤50℃
|
2,5A
|
3,0
|
|
at max.≤85℃
|
1,7A
|
1,8
|
|
Ambient temperature
|
-25 up to +85℃
|
|
Storage temperature
|
-25 up to +85℃
|
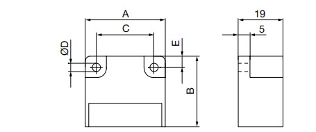
Dimensions(mm)
|
Size
|
A
|
B
|
C
|
ΦD
|
E
|
|
1
|
34
|
30
|
25
|
3.5
|
4.5
|































Contact Us Offline stores
China Head OfficeYuQing Anzhou Electronics Co., Ltd.Add:Qiligang Industrial Park, Liushi Town, Yueqing City, Wenzhou City, Zhejiang Province, ChinaPostal Code: 325604Contact phone number: +86 13867782366 (WeChat)Malaysia Malaysia Kuala Lumpur BranchANZHOU ELECTRONICS SDN.BHD.(1297312-A)Tropicana Grande Condominium, Tropicana, 47410 Petaling Jaya, Selangor, MalaysiaContact phone number: +60 136737822 (What app) Motorbremse,Gleichrichter,Brückengleichrichter,Half-wave rectifier,full wave rectifier,Bridge Rectifier,
3ARLF,169800,Rectifier,170800,173091,175823,FLENDER, EE 720 BD,EE 720 HHD,EE 720 AD,EE 720 CD,UM-101A-4T,
TRANTEX CORP Half Wave Rectifier,Power Module,PR-10H,PR-20HR,Rectifier,SRH555,Rectifier,14.630.13.004,
LENZE,14.630.13.004,14.630.32.006,14.630.32.016,14.630.33.006,14.630.33.016,14.630.34.016,INTORQ,BEG-142-270,
BEG-143-270,BEG-242-555,,RectifierBEG-243-555-01,BEG-161-270,BEG-162-270,BEG-261-460-01,13046439,
BEG-161-460,BEG-261-555,13046441,BEG-262-460,13046438,PME550 1A/3A BRG02B,8BRG04B,L8844,L8888,
PONT REDRESSEUR MOULÉ 6 BORNES POUR MOTEUR FREIN - TYPE MF KEB 02.91.010-CE07,
KEB 02.91.020-CE07,KEB 04.91.010-CE07,KEB 01.91.010-0007,SEW EURODRIVE BEG 1.5 8253854 150...500AC
BG 1.5 8253846,REISSMANN 45 B 50 23-A1V,45 E 50 23-A1V,brake_rectifier,A100-D90,A200-D90,,Rectifier
A100-D45,A200-D90-UL,A400-D180,MB-380-335-2si-s,ME550-250-2-si-s,RETH380335-2,RETH550-250-2,
FBGR-E400/175-GS 400v,FBGR-B400/345-GS 230v,FBGR-E500/220-GS 480v,Precima PMG500-S,
PRECIMA,PMG510,S03 PMZ 500,,Rectifier PMBAF 400-S,PMEAF600-S,S06 PMB500-S,PME 400-S,
PME 500-S,PME 600-S,PMB400-S,PMB500-S,GHE40L,GVE20L,AN-NORD,19141000,19141010,
MAYR 1/025.000.6,Bruckengleichrichter,1/024.000.6 Einweggleichrichter,45E2520-E1V,Half wave rectifier,
ECIA U230 1A,ECIA,U400 1A,DERELI,DDY220-98,DDY220-200,DDY270-02-02D,DDY270-02-02D-T,
DDY380-198,DDY-380-198-6D,DDY500-02-02D,GE 26089284,GS 26089484,VE 26090284,Bonfiglioli,
NBR 500-1,NBRCE-440-1,RSD-230-1,SB 710210014,SBR-440-1,SBR8 500-1,NB710210013,NBR-500-1,
SB 710210014,INTORQ 13053795,Typ BEG-561-255-130,13052798,Typ BEG-561-440-130,SR-30,SR-60,
SR-304,Half wave rectifier,HONGKE KZL-060-010-02D,KZL-060-020-04D,KZL-060-030-02D,KSZL-020A,
KSZL-040B,HONGKE KZL.060.010.02D,KZL.060.020.04D,KZL.060.030.02D,KSZL-40B,KSZL-24A,
KSZL-A,KSZL-B,NKZ-170-3A,NKZ-170-5A,NKZ-99-3,KZL-060-99,Rectifier,KZL-060-200,KZL-060-400,
POWER UNIT,KZL2-ZD,MH-20TC,MH-25,KZL2-ZDC,MH-16T,REctifier,P-10,PR-16T,YEJ112-160,ZL4-B2,
ZL4-3,ZD-02MT,56-100,112-160,RZLT145-96,,RectifierPR-23T,P-03+H,MH-10TC,KZL5-170,KZL2-ZD.
KZL2-1,GDZL-220-4,KZL2-2,CONNECTION,KLS-22,KZL5-96,P-02,P-03+,PR-20HR, PR-25T,YH-1.2A,
ZLJ-170-4,Rectifier,RY-99,ZL-1,ZL2-96V,ZL2-99,ZL4-99,ZL-99v,ZS-1,RY-170,ZL-2,ZL2-170V,ZL4-170,
ZL-170v,ZS-2,ZL-187-4,BL-170,BL-99,be-05,DZL-99-4,DZL-99/170-4,DZL-170-4,DZLK-99-4,DZLK-99/170,
DZLK-170-4,KZL-1,KZL-2,KZL3,KZL-99/170V,RY-1A,RY-3A,RY-5A,RY-10A,RY-2.5A,RYK RECIIFIER,
ZL-99/170-4,ZLKS-99-4,zlks-99/170-4,ZLKS-170-4,ZS-1,Rectifier 380,ZS-2P 380,HW3-6A,ZL-C1,ZL-C2,
R1-P1,R1-P2,,RectifierZLPK,ZLKS-99-4,ZL-K,ZL-D,ZL2-180K,ZL2-99K,ZL2-96K,RYK-99-4 ,QZL-198-4,
KZS-1,KZL-99-4,,Rectifier KZL1-99-4,DZLK-99-4,BLK-99-4,RECIIFIER,ZL1-99-6,ZL1-170-6,ZL1-104,
ZL1-198-6,ZL1-4,RV-1,RV-2 RECIIFIER,555V MAX,NKZ-99-1.5A,NKZ-170-1.5A,KZS-1/2-6,7S-FRBUR6W,
8S-F,RBUR,45B3016A1V,ZL3,ZL5-205,ZL-6 10A,ZL-99/170-6,ZL1-225-6,ZL-1H,RH555 2A,LL-180,P-07,
PME600S,RB270,XLZL-3A,RZL262-170,RZL262-170H,CXBY,BLK-2,BLK1-99-170,BL-99-170V,DLZL,
KZL1-2,KZL-2,KZL3,LRH555,RY-10A,RYZ-99V,RYZ-170V,RZ3,Half wave rectifier,,ZLKS2-170-6,ZLKS2-99-6,